Nemo 2 – Top Eco

Luotu Suomen ankariin olosuhteisiin ja energiatehokkaisiin taloihin! Sopii asennettavaksi alipaineistettuihin / passiivitaloihin. Tulipesän kaksoisseinämärakenne mahdollistaa mahdollisimman pienen tehon huoneeseen ja tehokkaan lämmönsiirtymisen veteen. Tulipesä on eristetty jo tehtaalla, joka parantaa polttotekniikkaa ja hyötysuhdetta ja lämmittää vähemmän huonetilaa. Koska lämpö otetaan talteen vasta tulipesän yläpuolelta, ei vesi haittaa polttotapahtumaa jäähdyttävästi, vaan polttoprosessi on aina parhaimmillaan! Luukussa tuplalasi, joka vähentää säteilylämpöä. Ainutlaatuinen puoliautomaattinen ilmansäätö on helppo käyttää, sinun ei tarvitse ymmärtää ensiö- ja toisioilman toimintatapoja, riittää että säädät liekin suurelle tai pienelle, tehontarpeen mukaan. Takka hoitaa ilmansyötön oikeaan paikkaan puolestasi (sytytysvaiheessa enemmän ensiöilmaa, palovaiheessa enemmän toisioilmaa). Polttoprosessin hyötysuhde on huikeat 87 %, joka tarkoittaa erittäin pientä tuhkajätettä tulipesään. Polta jopa 1 m³ polttopuuta ilman tuhkan tyhjennystä (riittävän kuiva polttopuu ja oikein säädetty ilmansäätö)! Sopii erityisesti käytettäväksi passiivi ja matalaenergiataloissa, sekä uusissa omakotitaloissa, jossa lämpöä ei juuri haluta huoneeseen. Takan lämmönvaihdin voidaan lisäeristää putkitöiden jälkeen, jolloin tehoa siirtyy enemmän veteen. Takalla voidaan polttaa suurta puumäärää erittäin pitkään mutta kuitenkin hyvin puhtaasti, joka mahdollistaa polttopuun tehon jakamisen pitkälle aikavälille (pesä täyteen ja veto pienelle = paloaika jopa 4 h). Toimii erinomaisesti tilanteissa jossa energiankulutusta on pitkälle aikavälille. Vakiona säätöjalat, ulkoinen paloilmanottoliitäntäpaikka (vasemmalta, oikealta tai alapuolelta). Luukun käsikahvan puoli valittavissa tilauksen yteydessä! Suositeltu varaajan koko: 500 l Takan kotelo voidaan valmistaa kätevästi Skamo Enclosure kalsiumsilikaattilevystä Lataa suomenkielinen asennus ja käyttöohje tästä: Nemo-tuotesarja Takuu: 12 vuoden puhkipalamattomuustakuu lämmönvaihtimelle! Ei koske lasia (rikkoutuu vain iskusta) Ei koske tulipesän keraamiosia (käytössä kuluva osa)
Jatka lukemista

Hintaluokka: 4 390 € - 4 690 € sis. alv 25,5%

[resursbank_widget]

Osamaksulla tuotteet kotiisi. Katso tästä osamaksun arvioitu kuukausierän määrä. Lue lisää

Soita tästä tuotteesta

Hei! Olisiko sinulla kysyttävää tästä tuotteesta?

Kuvaus

TEKNISET TIEDOT

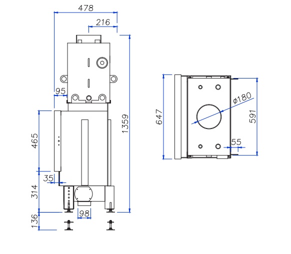
Mitat (L x K x S): 758 x 1228 x 437
Kokonaisteho: 16 kW
Teho veteen, mitattuna BImSchV päästömenetelmällä: 6,2 kW (rajoitettu polttoainemäärä)
Maksimi mitattu teho veteen: 12 kW
Teoreettinen maksimiteho veteen: 14 kW
Paino: 235 kg
Tulipesän koko: 490 x 260 x 390 mm
Luukun koko: 647 x 465 mm
Lämmitysala: 200 – 500 m³
Hormiliitos: 190 mm
Maksimi verkkopaine: 2 bar
Lämmönvaihtimen tilavuus: 49 l
Säädettävä ensiöilma: kyllä
Säädettävä toisioilma: kyllä
Hyötysuhde: 87 %
Polttoaineen kulutus: 4-5 kg / h
Savukaasujen lämpötila maksimiteholla: – °C
Savukaasujen maksilämpötila: 312 °C
CO päästöt: 0,45 (13%-O2)
Hiukkaspäästöt: 85 mg/Nm³
Tuplalasi: kyllä
Triplalasi: lisävaruste

Kotelon tuuletuksen kiertoilma-aukkojen koot

Ala-aukkojen minimi pinta-ala: 400 cm²
Yläaukkojen minimi pinta-ala: 600 cm²

Hei siellä!
Kiinnostaisiko tilata uutiskirjeemme?

Saat sähköpostiisi ajantasaista tietoa:
- Alennuksista
- Kampanjoista
- Tapahtumista

Tietojasi käytetään vain uutiskirjeisiin! Lisätietoa tietosuojaselosteestamme.

Lataa dokumentteja:

Suoritustasoilmoitus

 

Osamaksulla tuotteet kotiisi! Klikkaa itsesi tästä Esimerkkilaskuriin ja vertaile sinulle paras maksuvaihtoehto.